Skip to product information
1 of 3

Parker's Place

Parker's Place

40x64x10

Regular price $999.00 USD
Regular price Sale price $999.00 USD
Sale Sold out

REVISIONS ON STOCK PLANS: $100/HR

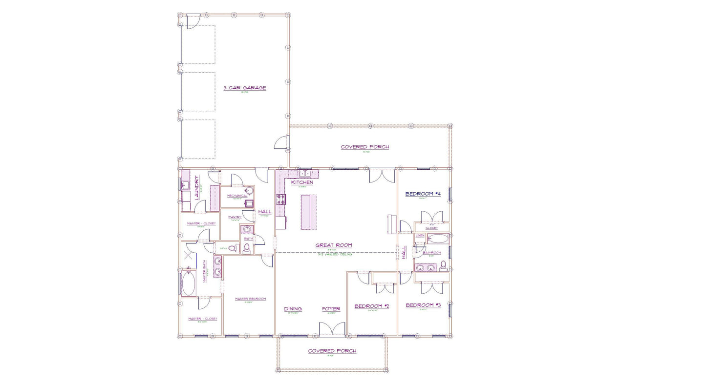
Parker’s Place is a charming residence featuring 4 bedrooms and 2.5 bathrooms. Upon entry, you a greeted by a sizeable foyer leading to a spacious dining area, perfect for entertaining guests. The open floor plan seamlessly combines the dining area with a generously sized kitchen, ideal for meal preparation and gatherings. Attached to the home is a 26 x 36 3-car garage, providing ample space for vehicles and storage. Enjoy the outdoors on the 8 x 26 exposed gable front porch or the cozy 10 x 38 back porch, offering a peaceful retreat to relax and unwind.

View full details
  • Attached Garage?

    Yes

  • Attached Garage Footage

    936

  • Attached Guest Suite?

    No

  • Attached Guest Suite Footage

    0

The plans presented are intended only for visualization purposes and should not be considered as official architectural or engineering documents. These plans have not been reviewed or approved by a licensed engineer or architect. Keystone Construction, LLC makes no representations or warranties regarding the accuracy, completeness, or suitability of the plans for any specific construction or design project. It is strongly recommended that purchasers consult a qualified professional before making any construction or design decisions based on these plans. Keystone Construction, LLC reserves the right to make changes to its plans at any time. To the extent permitted by law, you further agree to indemnify and hold harmless Keystone Construction, LLC and its agents and consultants from all costs and expenses, including the cost of defense, related to claims and causes of action asserted by any third person or entity to the extent such costs and expenses arise from your use of the plans. Any unauthorized use of the plans shall be at your sole risk and without liability to Keystone Construction, LLC, its agents, and its consultants. By purchasing these plans, you acknowledge and accept these terms.

Have a question about these plans?

Send us a message using the form below! Be sure to include the plans you are inquiring about.

Contact form